kihua logo tatung logo
  | | |  
 
 


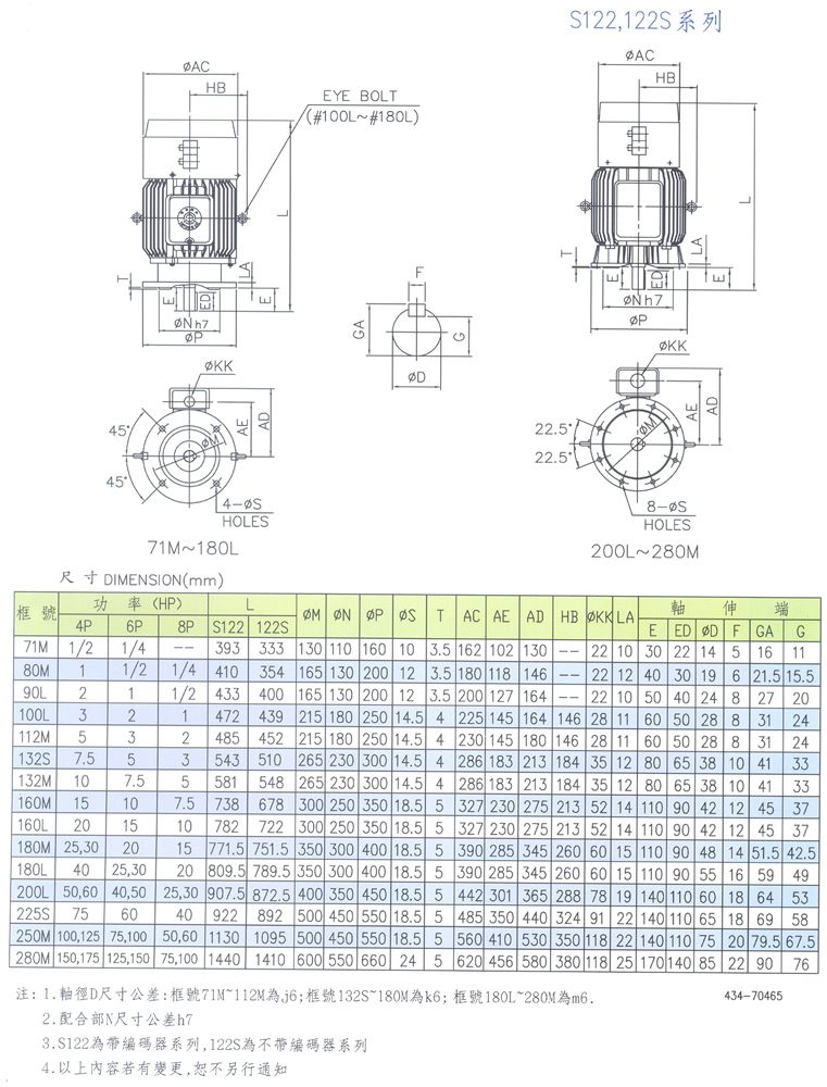
立式变频感应电动机 外型尺寸图
关闭窗口

 
上海起华机械有限公司 Shanghai KIHUA Machinery Co., Ltd.@版权所有
|
首页 |品牌列表 |关于我们 |联系我们 |